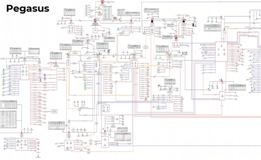
Tras el escándalo internacional de espionaje con Pegasus , Santiago Nieto Castillo , titular de la Unidad de Inteligencia Financiera (UIF), dio a conocer las empresas vinculadas con este programa para espiar, además de las dependencias que contrataron.
En la conferencia mañanera del presidente Andrés Manuel López Obrador de este miércoles en Palacio Nacional, Santiago Nieto presentó la red de empresas y personas físicas implicadas en la adquisición del malware Pegasus, así como el flujo ilícito de recursos
Señaló que este 21 de julio se ejecutará el acuerdo de bloqueo contra 24 sujetos relacionados con Pegasus y la siguiente semana se presentará la información ante la Fiscalía General de la República (FGR), además que se dará vista al Servicio de Administración Tributaria (SAT) y a la Secretaría de la Función Pública (SFP).
“El Grupo Tech Bull S.A. de C.V. es una empresa con características de fachada constituida por Balam Seguridad Privada S.A. de C.V. Cabe señalar que Grupo Tech Bull contrató durante el año 2014 con la Procuraduría General de la República, particularmente con el licenciado Tomás Zerón de Lucio , director en jefe de la Agencia de Investigación Criminal, el software Pegasus, el malware Pegasus, para efecto de espionaje telefónico.
“Este contrato es un contrato de 32 millones de dólares desarrollado por la empresa israelí NSO Group, al que terminó transfiriéndose los recursos”, informó Santiago Nieto.
También lee: Julio Astillero responde a "la comisaria" García Vilchis tras mención en la mañanera de AMLO
“Cabe señalar que no es el primer caso que se tiene reportado en México de adquisición de malware. El primer caso se remonta a la administración de Felipe Calderón y tiene que ver con la contratación que Genaro García Luna hizo de las empresas de los señores Weinberg para poder contratar el software de NiceTrack”, agregó.
La empresas vinculadas con Pegasus
-Grupo Tech Bull S.A. de C.V
-Comercializadora de Soluciones Integrales Mecale S.A de C.V.
-Balam Seguridad Privada S.A. de C.V.
-Constructora del Centro y del Bajío, S.A. de C.V.
-Artículos Textiles Equipo y Accesorios MV SA de CV.
-Proyectos y Diseño VME S.A.de C.V.
-Coordinadora de Imagen y Servicios Estratégicos S.A. de C.V.
-KBH TRACK S.A. DE C.V.
-Grupo Comercial Vicra S.A. de C.V.

Respecto a Tech Bull, Santiago Nieto refirió que es la empresa que por 32 millones de dólares fue contratada por la Procuraduría General de la República en la época de Murillo Karam , “particularmente con una firma del señor Tomás Zerón”.

Sobre Grupo Tech Bull y Balam Seguridad se refirió que “transaccionan con un grupo de 10 empresas con características de fachada”. Mencionó también “escasa permanencia de recursos. Accionistas y representantes legales en común y coincidencias en domicilios, la mayoría de los domicilios pertenecen a oficinas virtuales”.
“Accionistas relativamente jóvenes y con incongruencia del perfil socio demográfico de los accionistas y las empresas. Las operaciones fueron realizadas con contrapartes en común, sin relación comercial”, añadió.

El titular de la UIF puntualizó que no se localizaron transacciones de dichas empresas en la actual administración de López Obrador y el dinero se transfirió mayoritariamente a Estados Unidos, Italia e Israel.
ed
Noticias según tus intereses
[Publicidad]
[Publicidad]












