Más Información

Semana Santa 2026: Descubre las fechas clave de las celebraciones en el calendario litúrgico; checa aquí

¿Cómo aplicar al Programa de Regularización Fiscal?; conoce los requisitos del SAT para disminuir multas y recargos
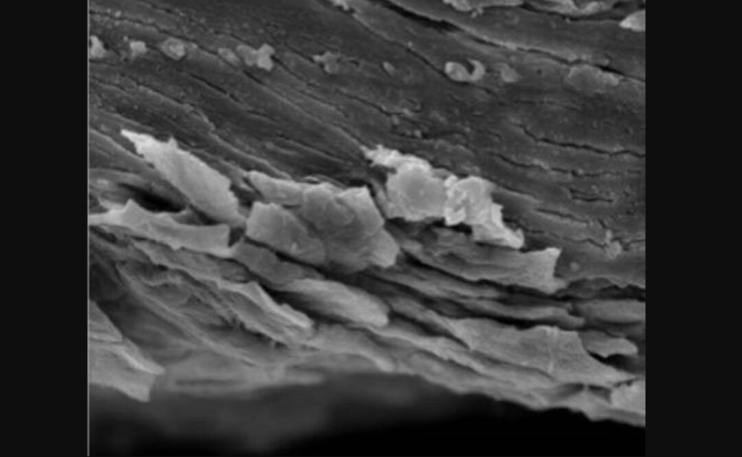
Un nuevo recubrimiento inteligente, idóneo para evitar arañazos en los teléfonos móviles , resulta duro como el esmalte dental por fuera , pero puede curarse a sí mismo como lo hace la piel.
El mercado de revestimientos inteligentes es una industria en auge y solo se espera que crezca en los próximos años. Los revestimientos inteligentes más comunes que pueden curarse a sí mismos se basan en polímeros blandos que pueden desgastarse rápidamente; pero los revestimientos duros pueden ser demasiado rígidos para volver a unirse para arreglar una rasgadura o un arañazo.
En investigaciones previas, Ming Yang , del Laboratorio de Fabricación de Microsistemas y Micronanoestructuras del Instituto de Tecnología Harbin, en China, y sus colegas produjeron un recubrimiento más rígido y más fácil de reparar, aunque su rendimiento aún debe optimizarse. En un nuevo estudio, publicado en ACS Nano, los investigadores desarrollaron una forma diferente de hacer un material suave, pero duro, que se auto-repara.
Imitando la estructura de la piel humana, los científicos utilizaron una técnica de capa por capa para formar una capa inferior suave y dinámica que contiene alcohol polivinílico y ácido tánico .
La capa externa dura contenía estos compuestos más una capa de óxido de grafeno. Cuando se fabrica con un espesor determinado, el material se reparó con éxito cuando se cortó y también podría matar bacterias. El material podría servir algún día como un revestimiento electrónico o incluso como un revestimiento a prueba de arañazos en edificios o teléfonos.
nrv
Noticias según tus intereses
[Publicidad]
[Publicidad]









