Más Información

VIDEO: Sheinbaum aprovecha vacaciones de Semana Santa para visitar a su nieto; realiza planeación de mañaneras de abril

Caída de avioneta en Huejotzingo, Puebla, deja cuatro fallecidos; sobreviviente perdió la vida en el hospital

De Meryl Streep a Jamie Lee Curtis y Viola Davis; celebridades de Hollywood celebran el liderazgo de Sheinbaum

Realizan misa de Marco Antonio Sauceda Rocha, hijo de Ceci Flores; es arropada por madres buscadoras, familiares y amigos

Noroña abandona entrevista; estalla por señalamientos de viajes en primera clase y "mansión" en Tepoztlán
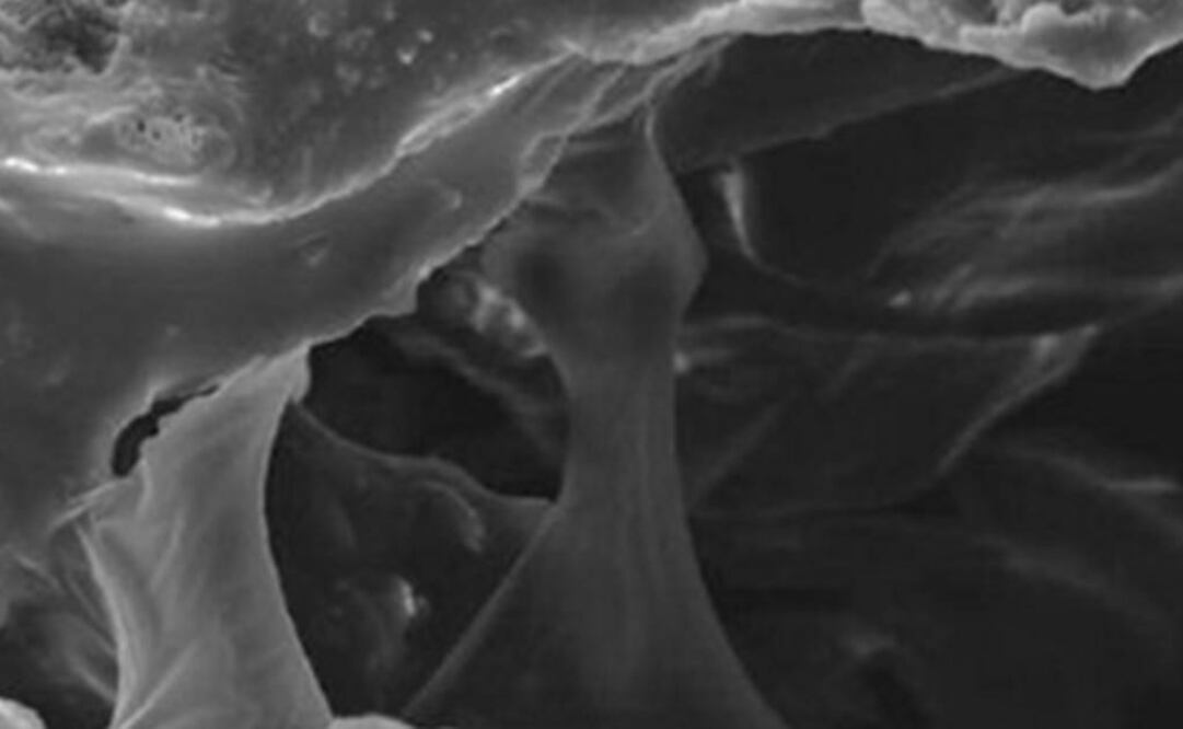
Un grupo de investigadores de la Benemérita Universidad Autónoma de Puebla (BUAP) desarrollan un biomaterial similar al tejido óseo que es biodegradable, 12 veces más económico y puede regenerar el hueso.
El grupo de científicos que trabajan en el desarrollo de estos nuevos implantes, explican que los componentes extracelulares del hueso están calcificados, lo que lo convierten en un material duro que proporciona apoyo interno a músculos y tendones.
Además, estos componentes ayudan a proteger los órganos vitales y envuelve a los elementos formadores de la sangre de la medula ósea, también depositan el calcio movilizante (calcio requerido en la sangre y otros líquidos del cuerpo).
Debido a la importancia de este tejido, se logró constituir un grupo interdisciplinario que se diera a la tarea de idear un material compuesto que tuviera las características del tejido óseo, que fuera compatible con el cuerpo humano y pudiera regenerar el hueso.
En entrevista para la Agencia Informativa del Conacyt, el estudiante del doctorado de Física Aplicada, Abraham Maldonado, explicó que se investigó la composición de los huesos para concebir un modelo matemático que reflejara la constitución del tejido.
Maldonado detalló que ya con el algoritmo listo, la materia prima se inyectó en una impresora 3D para que diera el soplo de vida a un material compuesto similar al hueso y que el cuerpo no rechazara.
Por su parte, el investigador Efraín Rubio Rosas destacó que la parte orgánica del hueso se formó con colágeno de tipo dos que le da flexibilidad y la parte inorgánica se elaboró con hidroxiapatita (fosfato de calcio) que le da resistencia.
Para obtener el biomaterial que imitará al tejido óseo, los investigadores usaron nanopartículas de hidroxiapatita y biopolímeros degradables como el ácido poliláctico.
Conociendo las condiciones del proceso fisiológico del cuerpo humano (pH de 7.4, temperatura de 37 grados centígrados, así como iones de fósforo, calcio y sodio), los investigadores lograron inducir el crecimiento de fosfato de calcio o hidroxiapatita.
Rubio Rosas explicó que tras reproducir la estructura del tejido óseo en una impresión 3D, la imagen se sumergió en un fluido fisiológico simulado para examinar el desarrollo del hueso nuevo.
Dijo que en teoría la porosidad del nuevo biomaterial al interactuar con el fluido fisiológico, logra que la réplica no solo sea compatible con el cuerpo humano y funcione de soporte, sino también permite reconstruir el hueso.
Con las pruebas de resistencia, porosidad, densidad, presión, compresión y toxicidad, realizadas hasta el momento, los científicos obtuvieron resultados favorables, pues se comprobó que existe 96 por ciento de compatibilidad con el tejido humano.
A pesar de que en la actualidad existen prótesis cada vez más amigables con el cuerpo humano, los materiales que se implementan en su mayoría son de acero inoxidable y los precios son muy altos, ya que son productos importados, señalan los creadores.
“De siete mil pesos que puede costar una unidad de acero, una de nuestro biomaterial saldrá aproximadamente en 500 pesos”, aseguró el doctor Morales.
Además, agregó, su implantación no requeriría de más de una cirugía y no representaría riesgo de infección o complicación de salud derivada del injerto de una prótesis de metal al interior del cuerpo.
kal
Noticias según tus intereses
[Publicidad]
[Publicidad]









